
02 生物吸附法


03 氧化渠的典型布置

04 完全混合法基本流程

05 曝氣生物濾池的污水處理系統典型工藝流程

06 污水處理典型工藝流程

07 氧化溝工藝

08 中水回用處理典型工藝流程

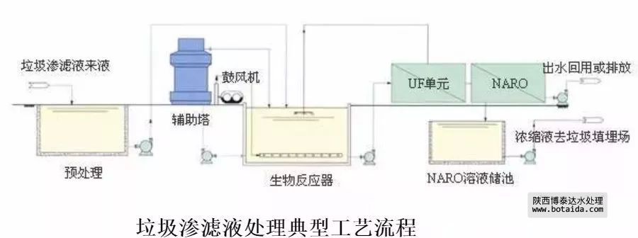
09 垃圾滲濾液典型工藝流程

10 城市污水回用處理工藝

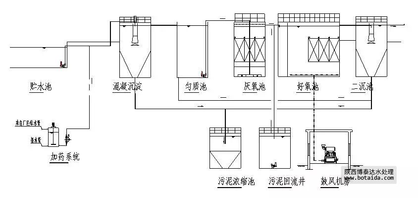
11 鋼鐵乳化液處理典型工藝流程

12 城市污水處理工藝流程圖

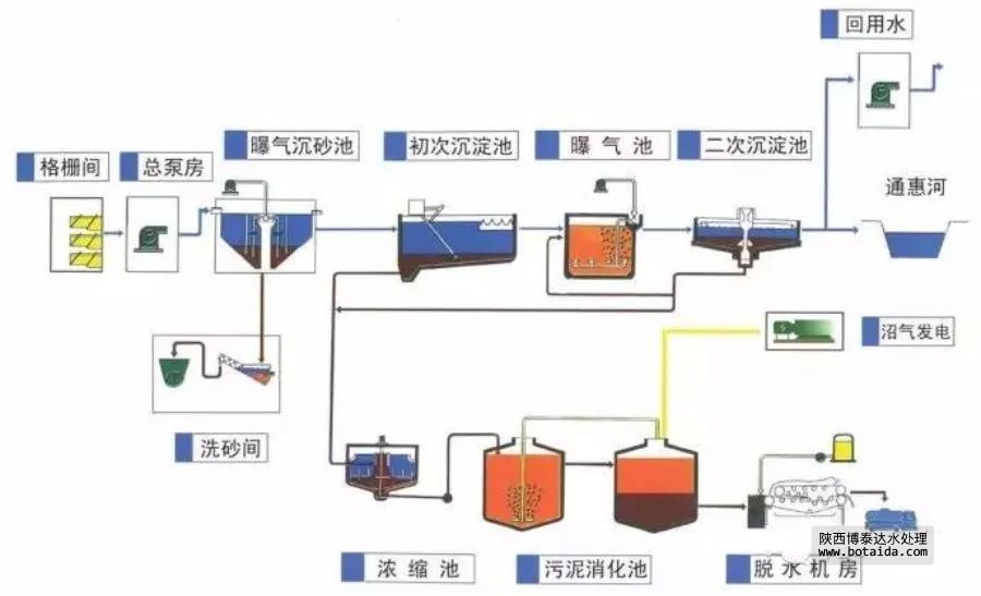
13 污水處理廠典型工藝流程圖

14 造紙污水處理工藝流程

15 屠宰廢水處理工藝流程

16 CAST污水處理工藝

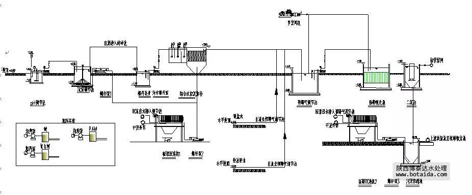
17 酸洗磷化廢水處理工藝

18 高礦化度礦井排水深度處理新工藝流程圖

19 脫硫廢水處理工藝

20 農藥廢水處理工藝流程圖

21 高礦化度礦井排水深度處理新工藝流程圖

22 膜法處理石化廢水處理工藝流程

23生活污水處理-CASS工藝

24MBR工藝處理制藥廢水

25 污水處理工藝流程圖

26 城市污水處理工藝流程圖

27 傳統活性污泥法工藝流程圖

28 MBFB工藝

29 電鍍污水處理工藝流程


30 脫硫廢水處理工藝

31 塑膠電鍍廢水處理工藝圖

32 煉油廠典型的廢水處理工藝流程

33 制糖廢水處理工藝流程圖

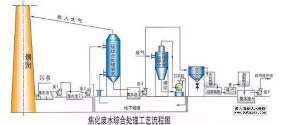
34 焦化廢水處理工藝流程


35 高濃度氨氮廢水處理工藝流程圖

36 cass工藝廢水處理流程圖

37 污水處理工藝流程組態圖

38 SBR污水處理工藝

39 A2O工藝流程圖

40污水處理的PLC自控系統

41GW-T型整體地埋式隔油池

42 電鍍污水處理設備

43 這是生活污水凈水工藝

44 生活污水處理設備與工藝

45 MBR膜生物反應器工藝流程

46 反硝化除磷或其他脫氮工藝


48 ETRB懸鏈式污水處理曝氣工藝及裝置

49 ITT污水深度處理工藝及主要設備

50 LP型一體化污水處理設備

51 污水處理技術工藝流程圖詳解

52 淀粉廢水

53 果汁廢水

54 含鉛廢水處理工藝流程圖

55 合成革廢水處理工藝流程圖

56 化工廢水處理工藝流程圖

57 化纖廢水處理方案

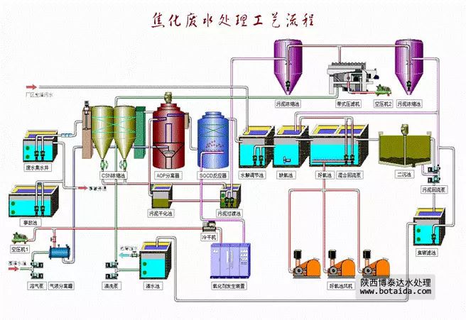
58 焦化廢水處理工藝流程圖

59 垃圾滲透液廢水工藝流程圖

60 磷化廢水廢水處理工藝流程圖

61 印染廢水工藝流程圖

62 制藥廢水處理工藝流程圖

如需要產品及技術服務,請撥打服務熱線:13659219533
選擇陜西博泰達水處理科技有限公司,你永遠值得信賴的產品!
了解更多,請點擊www.yhats.net